NICHIA NUBB28 455nm 54W Blue Laser Diode Array
The NICHIA NUBB28 is a high-power blue laser diode array delivering 54W output at 455nm. It features a 10-series configuration with 10 collimated beams for precise optical performance, such as high-intensity laser projection, engraving, stage lighting, and scientific applications.
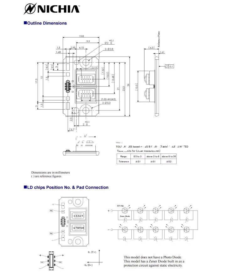
NUBB28 Specifications
| Product Name and Model | Nichia NUBB28 Blue Laser Array |
|---|---|
| Beams | 10 collimated beams |
| Configuration | 10-series (10 diodes in series) |
| Drive Current | < 3.5 A |
| Storage Temperature | -40°C to 85°C |
| Operating Temperature | 0°C to 70°C |
| Optical Output Power | 54W |
| Wavelength | 455nm |
| Voltage | 36V to 44V (typical, please verify) |
| Lifespan | > 20,000 hours |
| Origin | Japan |
Applications
The NICHIA NUBB28 is ideal for:
- Laser projectors & laser TVs
- Laser positioning systems
- Stage & event lighting
- Laser engraving & marking
- Automotive fog lamps
- Laser landmarks & beam shows
- High-power flashlights
- Fingerprint forensic analysis
- Medical & beauty devices
Compatible driver: A custom-designed driver for the NUBB28 is available. Click here for driver details.







Reviews
There are no reviews yet.